

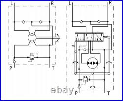
NOTE: When you place an order, we issue VAT invoices for countries of the European Union. When ordering, enter the EU VAT number. If you need an adapter, ask me about SAE JIC, BSP, ORFS or Metric, we have all connections. Comparison numbers from other manufacturers. It is widely used in steering systems in industrial machines and vehicles used in transport, agriculture, horticulture, forestry, construction and industry. Orbitrol OSPC 160 OR designed for hydraulic steering control in agricultural tractors, forklifts, excavators, combines and construction machinery, etc. Used everywhere where uneven ground should be felt on the steering wheel, such a requirement is for example in orchard tractors that drive between delicate prisms. The operator, feeling on the steering wheel that he is driving onto a pile, has time to reduce the path, preventing crop damage. Orbitrol is a very precise and important device for traffic safety, unfortunately there is a lot of cheap goods from china on the market that at first glance looks the same but a very precise design prevents proper driving and working with the tractor. Orbitrol 160 with the OR system (OPEN CENTER REACTION), while the steering wheel stands still the oil circulates in the system and freely passes through the orbitrol, the return line to the tank, the pump then works but is unloaded. Pressure on the wheels caused by uneven terrain is transferred to the steering wheel. Connections: P, T, A, B internal threads [BSP]: 1/2. Steering column mounting: 4x M10 screw – 16mm. Valve setting: overflow 160bar, shock 240bar. Geometric volume: 160cm3 / rev. Recommended oil flow in the system: from 14 to 18L / min. Drawing with full dimensions (photo). The special, reinforced and more precisely made construction ensures perfect work without leaks, without jerking the steering wheel and most importantly very light and smooth control even in heavily loaded vehicles. Steering even in the event of a tractor or pump failure, this function is very useful in emergency situations, e. Dimensions may be slightly changed.